50-45 Aluminium 6 metre Length Pentapost

价格
£56.31
税费和运费在结账时计算
TYPE:
50-45 Post

For Availability please contact the sales office.

Frequently Bought Together

We Accept

American Express
Apple Pay
Bancontact
Diners Club
Discover
Google Pay
iDEAL Wero
Maestro
Mastercard
PayPal
Shop Pay
Union Pay
Visa

Product Information

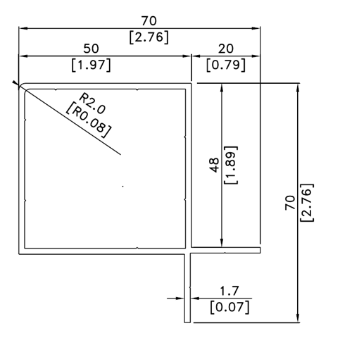
We carry large stocks of anodised aluminium pentapost and mullion section in the popular 30mm and 50mm sizes. Corners to suit are available in both natural and black finish.

PANEL THICKNESS

45mm

EXTERNAL DIMENSION

50mm

WEIGHT

1.090 kg/m 

Material

Extruded Aluminium EN AW 6060

Treatment - T6

Description

We carry large stocks of anodised aluminium pentapost and mullion section in the popular 30mm and 50mm sizes. Corners to suit are available in both natural and black finish.

PANEL THICKNESS

45mm

EXTERNAL DIMENSION

50mm

WEIGHT

1.090 kg/m 

Material

Extruded Aluminium EN AW 6060

Treatment - T6

Recommended for You